Récepteur JRC NRD 545 G (serial Nr 19527) Retour accueil
|
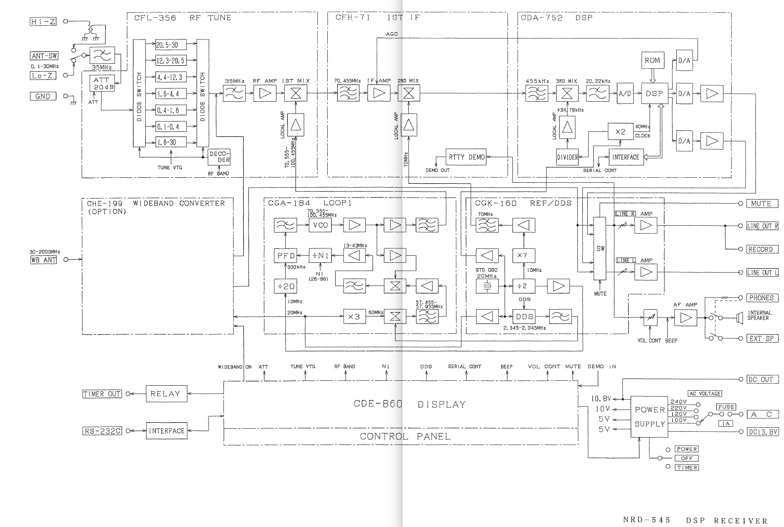
Récepteur décamétrique superhétérodyne à triple changement de fréquence et à technologie numérique (DSP). 1ère FI : 70,455 MHz, 2ème FI 455 KHz, 3ème FI 20,22 MHz.
Récepteur haut de gamme avec une excellente sensibilité et sélectivité et des fonctions très intéressantes telles que l'ECSS automatique (très efficace), le notch manuel et automatique, le PBS, et le réglage de bande passante. Malheureusement, ce récepteur est TRES sensible aux parasites électriques qui entraînent une désensibilisation avec pompage de l'AGC.
Un site très complet avec description et commentaires d'utilisateurs est consacré au NRD 545 par N9EWO |
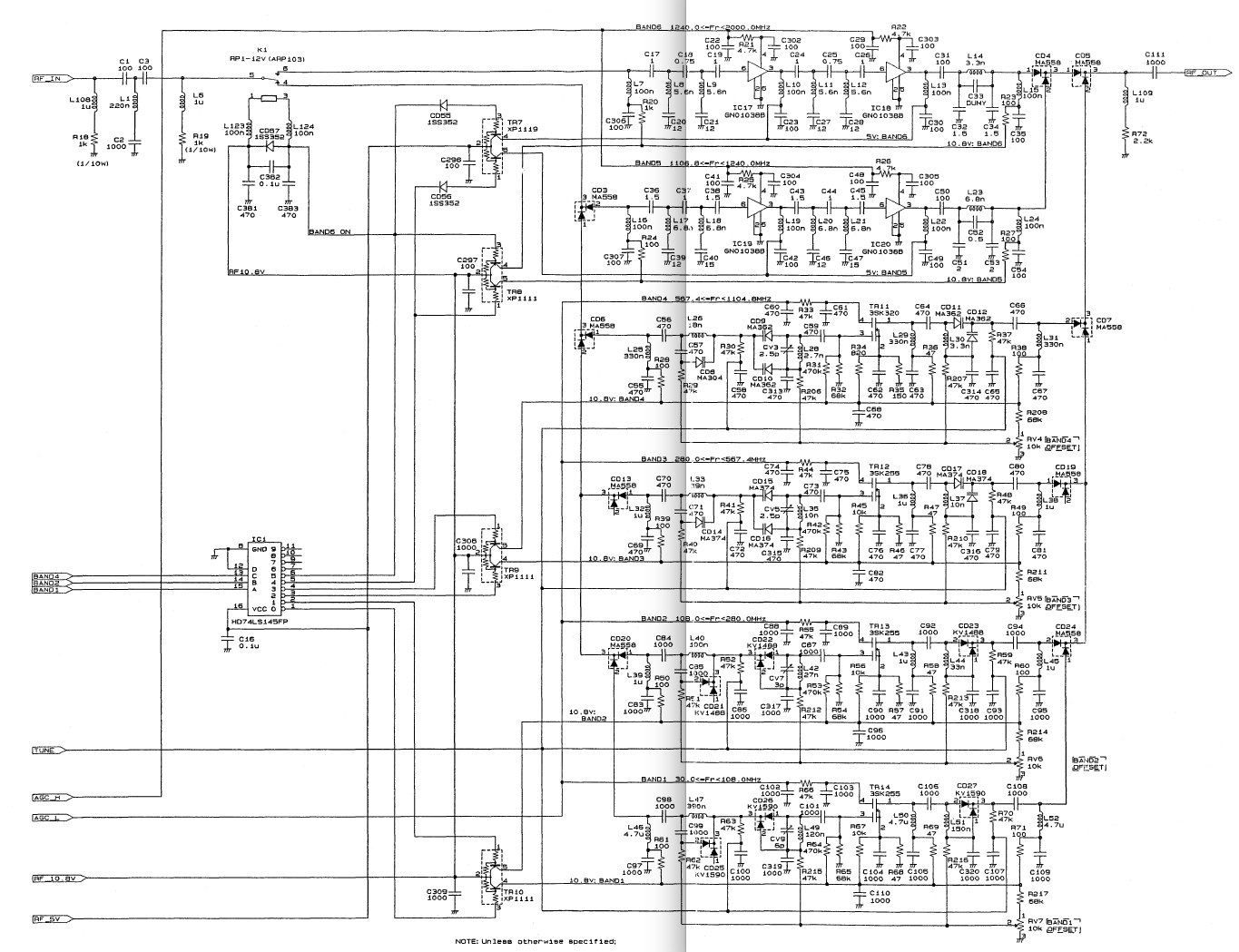
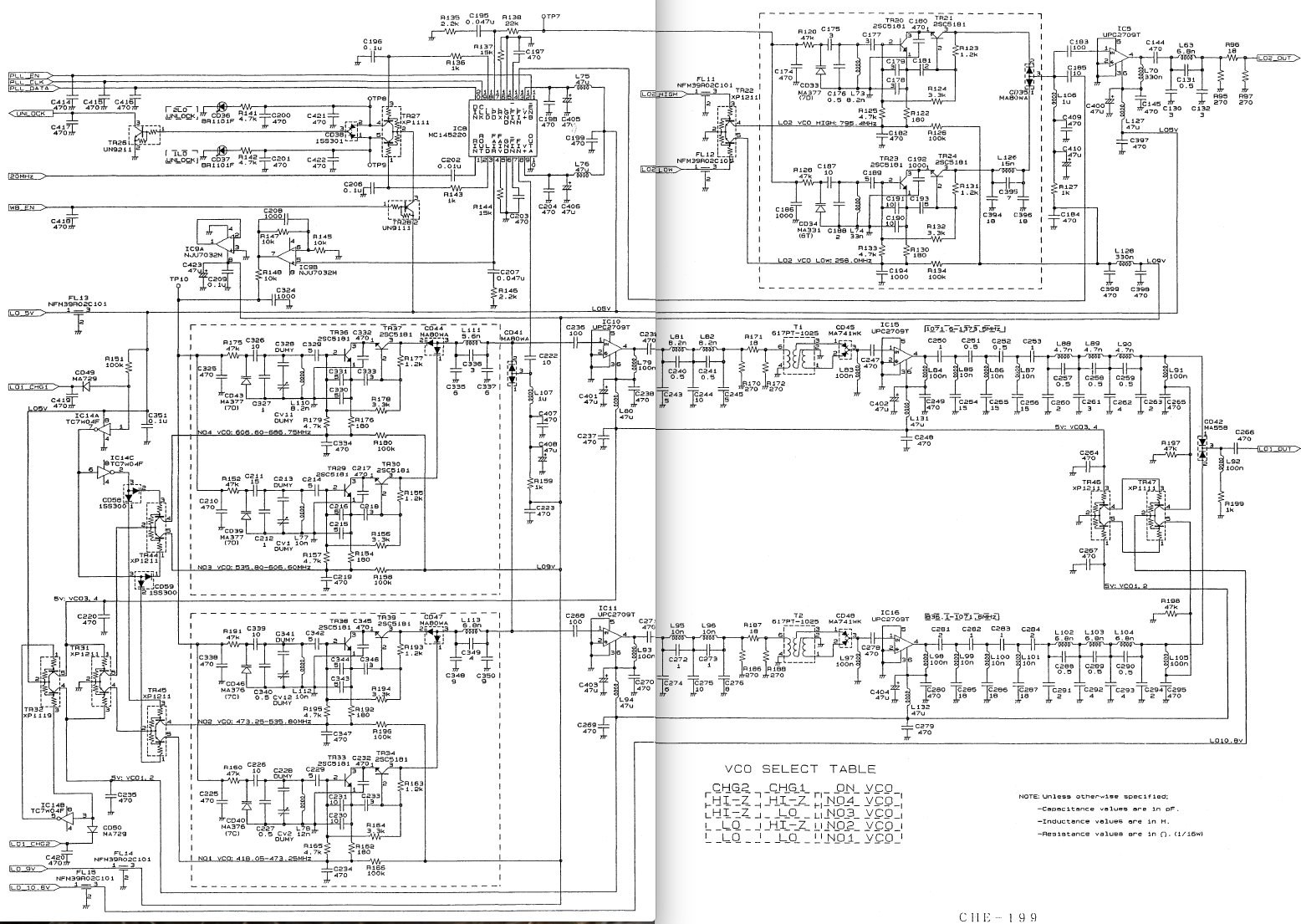
| SHEMAS |
|
Block Diagram | Assembly Drawing (2) | CHE-199 Block Diagram | 1st IF | Local Block | RF amp Block Diagram | |
| SERVICE MANUAL |
|
Chapter 7-8 7-10 | Chapter 0-3 | S-meter adjustements |
Files from Yahoo group Bernard Malet & Herman |
|||
| SETTINGS | Bwc filters settings |
|
||||||
|
MODS, TEST |
ARRL test | ARRL Product review |
|
|||||
|
OWNER MANUAL |
|
Brochure | ||||||
|
|
||
|
Platine DSP (cliquez sur la photo pour l'agrandir) |
Platine préselecteur avec les relais Omron que l'on entend claquer lors des changements de bandes |
|
|
- Extension de la couverture en fréquence à 10 KHz : mise sous tension avec appui sur la touche ENT/KHz.
- Noise Blanker : lors des premières utilisations, cette fonction parait sans effet ... J'ai fréquemment un parasite de type impulsionnel et d'origine indéterminée sur 6/7 MHz (niveau S8 pour bruit de fond à S1). J'ai essayé une première fois le NB et j'ai cru qu'au même moment le parasite avait cessé. En fait l'action du NB est si efficace que le parasite est effacé sans aucune trace ni altération de la réception.
Le NB a néanmoins un inconvénient. Il fait apparaître des splatters sur la fréquence écoutée ; exemple : RX sur 7.098 MHz, broadcast sur 7.104 MHz NB off splatters niveau 0 à S1, NB enclenché splatters niveau S6 (+ 35 dB !). Ce phénomène était extrêmement gênant sur 40 m avant mars 2009 (modification de la bande broadcast depuis)
- Noise Reduction : cette fonction semble peu efficace (distortion, BF fortement altérée) sauf sur les signaux très puissants pour lesquels l'intérêt est limité. Le réglage optimal (mais loin d'être idéal) semble être : option 27 = 1 option 29 = 0.10
- Test de l'afficheur : Func+Dimmer+Power On, tourner le Vfo pour revenir à l'affichage normal.
- The Secret Undocumented NRD-545 Audio Filter
|
