Antenne active cadre accordé Retour accueil
|
|
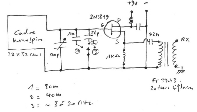
D'après une réalisation de F1ANV parue dans la revue Mégahertz Magazine. L'antenne est un cadre actif accordé. Une self de 1mH a été ajoutée en filtrage d'alimentation ainsi qu'un transformateur d'isolation de rapport 1:1. |
|
|
Transformateur d'isolation de rapport 1:1 (20 tours bifilaires de fil cu émaillé de diamètre 0,3 sur tore ferrite FT37-43) en sortie RX sur BNC isolée. Deux longueurs de 25 cms de fil émaillé sont nécessaires. |
|


|
|
|
|
|
|
|
|
|