Antenne active TOMATO                                                                                                                              Retour accueil

 

 

D'après une réalisation de A. P. Cheer ("Electronic Engineering" août 1983) "importée" en France par la revue "le Haut Parleur" et par J. P. Guicheney

Il s'agit d'une antenne active large bande (70 Khz à 110 Mhz) compacte, bon marché et facile à réaliser. 

 

Malgré l'étendue spectrale de son action, elle sera plus performante sur les bandes décamétriques.

 

Je l'ai baptisée "Tomato" car j'ai choisi de l'installer dans une boite de conserve de concentré de tomate qui a été peinte en ... rouge !

 

 

  

 Article de JP Guicheney

in "A l'Ecoute du Monde"

 

 

 

 

 

 

 

 

 

 

 

 

 

 

 

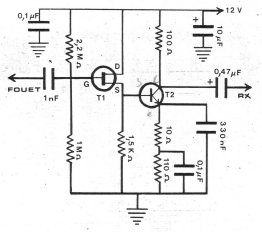
L'amplificateur utilise un transistor à effet de champ et un transistor de moyenne puissance conçus pour donner satisfaction sur les fréquences élevées.

 

Par précaution le condensateur chimique de 10 mF doit supporter une tension de 25 volts et le condensateur de sortie de 0,47 mF, une tension de 60 volts minimum.

 

Le circuit utilise deux transistors 2N3819 et 2N3866 

La SO239 et mes doigts donnent l'échelle. ...

Le montage peut encore être miniaturisé.

 

                                                                                                            Shéma du circuit et valeurs des composants

 

 

 

Modèle de circuit imprimé ; brochage des transistors

 

Sur le circuit imprimé, les parties hachurées se rejoignent. 

 

Un filtre d'alimentation est une précaution intéressante. Il devient nécessaire en cas d'utilisation d'une alimentation de piètre qualité.

 

Le blindage du filtre d'alimentation (tole étamée) peut ajouter un plus au montage.

 

 

                               

Filtre d'alimentation

 

Le circuit 

La boîte de conserve est à la masse !

toma top !

 

Le brin collecteur est une antenne télescopique de 70 cms. alim. sur chassis jack 3,5 mm mono, sortie sur SO 239, boitier bon marché ...

 

 

 

Réalisation de François FE3345

 

 

Boitier de récupération, rotule de lampe et fouet de 2m constitué d'un tube d'aluminium

 

 

Difficile de croire qu'un montage aussi simple, économique et compact puisse procurer de tels résultats !

Evidemment l'antenne ne bénéficie d'aucune préselection ou filtrage et un récepteur modeste y perdra rapidement son latin mais couplée à un récepteur de trafic haut de gamme les signaux sont puissants et clairs.

Bien sûr, cette antenne ne peut rivaliser avec une antenne active haut de gamme du type Dressler ARA 60 (quoique ?) mais (malgré les apparences !!!) elle n'aura pas à rougir de ses résultats.

Un bémol néanmoins, le système est très sensible aux parasites de type électrique et sa cohabitation avec du matériel informatique sera compliquée. La solution peut alors consister à le dégager des sources de parasites en l'installant en hauteur et en l'alimentant par le câble coaxial. Le concept "large bande" a l'avantage d'éviter les manipulations et réglages lors des changements de bandes et l'inconvénient de ne présenter aucun présélection.

L'antenne est particulièrement efficace sur les bandes décamétriques et un peu "bruyante" sur la bande kilométrique.

Cette antenne est une solution bon marché pour les écouteurs ne disposant pas de la place nécessaire à l'installation d'une antenne filaire.

 

  F-10255 Stéphane Morice (c) 2006