Alimentation 9 V - 1,5 A "radio friendly"                                                                                                  Retour accueil

 

 

Montage publié dans Mégahertz Magazine N° 302, mai 2008. Protection contre les surtensions, les court-circuits & protection RFI. 

Télécharger l'article

 

 

Montage publié dans MEGAHERTZ N°302 - mai 2008 

face avant

face arrière

 

 

vue sur la self

filtre secteur sur embase IEC

 

 

circuit imprimé

implantation des composants

 

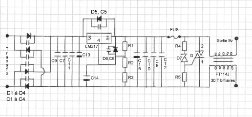
shéma

 

  F-10255 - (c) 2008