Filtres secteur Retour accueil
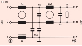
Les filtres secteur qui équipent station, PC et TV sont des Schaffner FN 343 avec self sur ligne de terre, éventuellement suivis de self sur ferrite.
|
|
|
|
Shaffner FN 343 - 3 / 05 récent, made in Thailand |
Shaffner FN 343 - 3 / 05 ancien, made in Switzerland |
|
Filtre alimentation RX principal : Schaffner FN 343-1 + self sur ferrite Amidon FT240-43 dans boîtier métal à la terre, cordon de liaison avec RX très court |
Schaffner FN 343-3 (3 A) + self sur ferrite Amidon FT240-43 |
|
Filtre alim. TV, magnétoscope numérique, démodulateur sat, TNT, DVD : Schaffner FN 343-1 |
Filtre alimentation PC : Schaffner FN 343-1 + self sur ferrite d'écran TV |
Les filtres installés sur PC et TV ont permis une élimination quasi totale des parasites.
Bloc de prises filtrées montées sur un tronçon de goulotte Pvc


