Condensateurs variables                                                                                                                          Retour accueil

 

1 - Présentation

 

2 - Les condensateurs à isolement plastique (Toko Varicon)

 

3 - Comment les connecter, série, parallèle ...

 

4 - Association avec un condensateur fixe

 

                                                                                                     

 


 

 

 

1 - Présentation

 

 

Ces composants ne sont pratiquement plus fabriqués.

 

Les principales sources d'approvisionnement sont le marché de l'occasion et la récupération. 

 

Les CV équipant les vieux postes de radio PO/GO sont adaptés à une utilisation dans les montages destinés à la réception. Les montages servant en émission nécessitent des CV à forte isolation. 

 

Servant à la fois pour l'accord et l'oscillateur de changement de fréquence, ils possèdent fréquemment deux cages. 

 

Ils sont indispensables pour la réalisation de coupleurs, préselecteurs, antennes (actives) accordées ...

 

L'espace entre les lames conditionne l'isolement du CV. 

                               

 

CV papillon

 

 

Trimmer

 

 

 

 


 

 

 

 

2 - Les CV miniatures à isolement plastique

 

 

 

Ils sont le plus souvent à deux cages et de deux types (Toko Varicon) :

 

- 2 x 265 pF + 4 x 20 pF (trimmers) ; profondeur 11,7 mm,

- 2 x 335 pF + 3 x 20 + 4 x 20 (trimmers) ; profondeur 21 mm.

Quelques références TOKO :

4X-20SET : 2xAM 266 pF + 2xFM 20 pF

2A-20H6   : 280 pF + 120 pF

2A-20HT   : 280 pF + 120 pF

2A-20ST7  : 2 X 266 pF

 

 

 

 

 


 

 

 

 

2 - Connecter un CV double cage         d'après F4DNR, M. Jean Burgard (SK) http://equasim.perso.neuf.fr/ & http://f4dnr.homemaderadio.eu/

 

Le rapport entre CV mini et CV maxi est couramment de 1 à 10.

Exemple pour un CV double cage de 2 fois 240 pF.
La plage d'une cage est d'environ de 24 à 240 pF.
La plage de deux cages en série est de 12 à 120 pF.
La plage de deux cages en parallèle est de 48 à 480 pF.
En passant d'une connexion série à une connexion parallèle la plage s'étend alors de 12 à 480 pF, c'est à dire un rapport de 1 à 40.
Pour réaliser une connexion tantôt série, tantôt parallèle il suffit d'un interrupteur double et de faire les liaisons indiquées sur le schéma.

 

c1 c2 c3 : sorties du CV double cage.

b1 à b6 : broches de l'interrupteur double vu du dessus.
s1 et s2 les sorties de l'ensemble.

 

La position P1 de l'interrupteur correspond à la connexion des 2 cages en série.
La position P2 à la connexion des 2 cages en parallèle.

 

 

D'après page web de M. Jean Burgard - F4DNR (SK)

schéma M. Jean Burgard  http://equasim.perso.neuf.fr/

Avec l'autorisation de l'auteur.

 

Autre exemple :

 

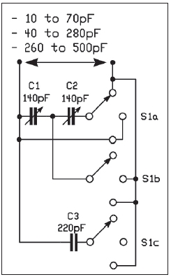
Un Cv double cage 2 x 140 pF est associé au commutateur S1.

 

En position 1, les deux cages sont en série, la variation de capacité est de 10 à 70 pF.

 

En position 2, les deux cages sont en parallèle et la variation de capacité est alors de 40 à 280 pF.

 

 

 

 

 


 

 

 

 

4 - Association avec un condensateur fixe

 

 

Le condensateur variable C1 a une capacité de 140 pF. Utilisé seul, sa capacité est environ de 20 à 140 pF.

Un condensateur fixe C2 de 120 pF est connecté en parallèle et permet de modifer la variation de capacité de 140 à 260 pf.

Le commutateur S1 permet de passer de l'une à l'autre configuration.

 

 

 

 

 

 

 

 

 

Ici à l'aide d'un commutateur 3 circuits 3 positions on associe un CV double cage 2 x 140 pF et une capacité fixe de 120 pF en parallèle pour arriver à une variation de capacité totale de 10 à 500 pF.

 

 

 

 

 

 

 

 

 

Shémas in article de ON5FM/ON5UK CQ QSO 3/4 2006

F-10255 - 2012