Transmatch avec préamplificateur RF                                                                                                 Retour accueil

 

 

D'après une réalisation de J. P. Guicheney.

Le circuit d'accord et de couplage en transmatch a été choisi plutôt que les systèmes en pi ou en T pour ses vertus de présélection.

 

L'amplificateur RF est commutable et présente un gain d'environ 20 db. Le transmatch fonctionne de 1,6 à 30 Mhz.

 

 

 

 

Le boîtier est impérativement métallique, afin d'éviter les perturbations extérieures.

Les chassis des condensateurs variables à air sont isolés de la masse et fixés sur des supports isolant. Les éventuels prolongateurs des tiges des CV sont en matériau isolant afin d'éviter tout contact électrique avec le boitier ainsi que les "effets de main" (il s'agit, ici, de cartouches d'encre pour stylo) .

Le cablage est réalisé en fil blindé (coaxial de faible diam.) hormis les liaisons self - commutateur. 

 

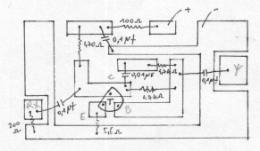
vue intérieure

 

 

 

Le CV 2 x 250 pf peut être remplacé par un CV 2 x 350 pf. Dans ce cas la couverture s'étendra un peu plus dans le bas du spectre. 

 

La self :

Le support de la self est de diamètre 3 cms en pvc ou autre matériau isolant. Le fil émaillé est un 8/10ème, une longueur de 7m est nécessaire pour réaliser 73 spires.

Tendre le fil sur toute sa longueur et souder les fils qui iront au commutateur avant l'enroulement. Pour cela, on enlève soigneusement l'émail avec du papier abrasif sur 1 à 2 cms aux endroits définis et l'on soude une bonne dizaine de cms de fil à chaque emplacement. Lors du montage de la self dans le boitier, les fils seront raccourcis un à un à la bonne longueur. 

A une dizaine de cms de l'extrémité des 7 m, souder le premier fil appelé P1. P1 sera placé sur le premier tour de la self.

 

espaces

longueurs

 (cms)

espaces

longueurs

 (cms)

Self

P1-P2 10 P2-P3 12
P3-P4 15 P4-P5 20
P5-P6 30 P6-P7 30
P7-P8 40 P8-P9 50
P9-P10 50 P10-P11 150
P11-P12 290

 

Ces dimensions ne sont pas critiques mais à respecter à quelques centimètres près. Pour effectuer l'enroulement, percer deux trous aux extrémités de la bobine qui serviront de chicanes pour bloquer le fil. On commence l'enroulement en tenant le tube et en maintenant le fil tendu. Les quatre ou cinq premières spires sont espacées de quatre millimètres afin d'obtenir de meilleurs performances sur les fréquences hautes. Le reste de la bobine est à spires jointives.  

Les chicanes sont consolidées avec de la colle epoxy et la self peut être passée au vernis HF. La longueur totale de la bobine atteint environ 10 cms, non critique. P1 correspond à la broche 12 du commutateur et au haut de bande, P2 à la broche 11, P3 à la broche 10 ..., P12 à la broche 1 et au bas de bande.

 

 

 

 

Amplificateur ; implantation des composants

L'amplificateur RF :

Dans le boitier l'ampli. est séparé du transmatch par une cloison blindée dans laquelle est percée un trou pour le passage des fils d'alimentation et de la liaison avec le transmatch.

Un filtre d'alimentation (protection contre les parasites HF) est constitué d'une self de 1MH dont la résistance n'excéde pas une dizaine d'Ohms et un condensateur de 0,1 mF.

Le condensateur de sortie vers le récepteur doit supporter une tension d'au moins 100 volts pour protéger le montage lors de la mise sous tension du RX.

 

filtre d'alim

filtre d'alimentation monté directement sur les chassis bananes

 

l'ampli HF

platine amplification 

 

face arrière

 

Face arrière : sortie 50 Ohms RX sur SO239, entrée antenne assymétrique basse impédance sur SO239, entrée antenne symétrique haute impédance sur chassis bananes (échelle à grenouille) ou entrée long fil sur chassis banane blanc et terre sur chassis banane noir. Un commutateur d'antennes (en façade) a été ajouté par rapport au schéma d'origine (2 circuits, 2 positions mise à la masse de l'antenne non utilisée).

 

vue générale

 

vue intérieure

 

vue intérieure arrière

 

vue compartiment ampli HF, circuit étamé

vue latérale

 

Modifications

 

 

- Ajout d'un UNUN de rapport 9:1 à l'entrée symétrique du transmatch.

L'unun est constitué de 9 tours trifilaires de fil de cuivre argenté isolé PTFE (téflon) de diamètre 0,6 mm sur tore RTC 4C6.

 

schéma de l'unun

 

- Ajout d'un commutateur "bypass" en façade permettant de commuter ou non le transmatch. Le "bypass" permet l'utilisation de l'unun seul ou de l'unun avec le préamplificateur. Dans ce cas le transmatch est relié à la masse.

 

Mon avis : contrairement aux concepteurs ou ... vendeurs de boîtes d'accord, je n'ai jamais constaté la grande efficacité de ce type de montage en réception. Essentiellement conçues pour accorder les antennes en émission, les boîtes d'accord sont censées améliorer sélectivité et sensibilité en réception. Je ne l'ai pas constaté de façon évidente tant sur mes réalisations personnelles que sur les modèles commerciaux. Il est vrai que sans matériel de mesure, les conditions de réception en OC et en particulier le fading ne facilitent pas l'évaluation empirique d'un matériel. Un commutateur "bypass" a récemment été installé sur le transmatch et permet d'effectuer des comparaisons de qualité de réception avec et sans transmatch. Le commutateur bypass permet l'utilisation de l'unun et du préampli sans le transmatch. Globalement, et même si les constats varient suivant les bandes, le transmatch permet une légère amélioration de la force du signal reçu (maxi. 1 point S), avec parfois une amélioration de la lisibilité ou du rapport signal sur bruit. Le préampli., de conception simple n'est pas très performant et peut introduire des produits d'intermodulation lorsqu'il est utilisé au gain maxi. 

Lorsque le préampli. est utilisé seul et produit de l'intermodulation, la mise en service du transmatch permet de supprimer ou fortement réduire l'intermodulation. Ceci tend à démontrer que le transmatch agit effectivement comme filtre renforçant la sélectivité.

L'efficacité du préampli est loin d'être évidente. De façon générale, son action se limite à booster le s-mètre sans amélioration du rapport signal sur bruit, sauf peut être sur les bandes hautes au-delà de 20 MHz. Il pourrait avantageusement être remplacé par un design W7IUV, IK4AUY ou F1TE à base de 2N5109 (IP3 optimisé).

L'unun permet en théorie d'abaisser l'impédance du long fil afin qu'elle s'approche des 50 Ohms réclamés par le RX. Difficile d'en évaluer l'efficacité ... La perte d'insertion est sensible car elle atteint environ 1 point S sur 10m.

En bref, avec un bon RX (peu sensible à l'intermodulation), un long fil terminé par une fiche banane connectée à l'entrée du RX sera quasiment aussi efficace que l'association fil + boîte de couplage.  

Utilisation avec : Windom 10m à 8m de haut, Long Fil de 20m à 7m de haut dans grenier, antenne active large bande intérieure.

 

  F-10255 Stéphane Morice (c) 2008