AUV Antenne Unité Variable Retour accueil
|
Pourquoi AUV ? parce que mon ancien identifiant était F11AUV mais aussi parce que le système constitue une véritable unité variable pouvant fonctionner selon plusieurs configurations :
- antenne active ou passive avec collecteur incorporé, - antenne passive ou active avec collecteur extérieur, - atténuateur de 20 db débrayable (évite les phénomènes de saturation), - filtre passe-haut débrayable (évite l'intermodulation ; bloque les fréquences inférieures à 1,6 Mhz) - possibilité de relier l'installation à la terre.
Le tout sous un format compact (Longueur 27,5 cms et diamètre 32 mm) et avec une autonomie totale (alim. par pile 9v). |
|
Montage publié dans Mégahertz N°151 - sept 1995 |
|
Schéma synoptique |
Le circuit est constitué de trois éléments :
- l'amplification HF inspirée d'un montage de A.P. Cher (antenne active Tomato) - un atténuateur de 20 dB débrayable, - un filtre passe-haut
|
|
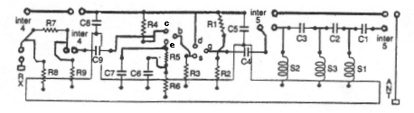
Le circuit
|
|
|
Implantation des composants |
Les transistors sont soudés côté cuivre, respecter une distance égale à au moins deux fois leur diamètre entre les selfs.
|
Modèle de circuit imprimé - dimension 22 x 85 mm |
|
Le corps de l'antenne est constitué d'un tube en PVC (32mm de diamètre et 21 cms de long) fermé à ses extrémités par deux embouts PVC vissés. L'embout supérieur sera évidé pour le logement de la pile (cf. photo). Le montage des différents éléments à l'intérieur du tube nécessite une certaine minutie. Les emplacements des différentes prise et interrupteurs seront d'abord percés avant de réaliser le collecteur intérieur constitué de fil émaillé bobiné dans le sens de la longueur (5 longueurs soit env. 1,20 m).
|
|
On procédera au blocage du fil en l'enfilant dans des trous préalablement percés sur le pourtour des extrémités du tube qui seront ensuite recouvertes par les embouts. |
Le circuit imprimé et son cablage soudé au préalable sera introduit dans le tube. Les fils de liaison seront passés dans les trous de perçage et coupés au plus court avant d'être soudés sur les différents éléments (fiches et inter.). La fiche banane (1) est reliée à l'extrémité du collecteur intérieur et permet la connexion d'une antenne filaire. L'interrupteur (2) permet la mise en fonction de l'antenne active, avec led témoin (3), ou la déconnexion de l'ampli et le fonctionnement en antenne passive. Les deux autres inter. mettent en service l'atténuateur (4) et le filtre passe haut (5). La fiche banane terre (6) permet de relier le dispositif à la ... terre (qui peut être un tuyau de chauffage central en cuivre), elle est reliée à la masse de la BNC. La fiche BNC (7) est vissée sur l'embout PVC inférieur et l'assemblage est renforcé par un filet de colle. La surface du tube PVC est aplanie par ponçage à l'emplacement des deux inter. afin de les avoir dans le même plan.

|
Station RX déca portable autonome |
|
|
|
|
le compartiment de la pile 9v |
|
Le système est portatif, autonome, polyvalent et convient parfaitement à une utilisation en portable lors des vacances, par exemple. Le RX portable est presque muet jusqu'à 80 Mhz avec l'antenne "boudin" d'origine. L'AUV permet des réceptions intéressantes en broadcast et sur bandes amateur (par exemple TI4CF, Costa Rica, sur 40m avec un excellent signal) L'attenuateur et le filtre passe-haut autorisent son utilisation avec des RX de bas de gamme. Un système idéal, sans équivalent commercial * pour une utilisation avec un "scanner" couvrant les bandes HF. Utilisation avec : AOR AR 8000. |
|
* Modèle commercial, rechargeable (2019) |