Antenne active cadre blindé                                                                                                                     Retour accueil

 

D'après une réalisation de J. P. Guicheney

L'antenne est un système actif à boucle blindée de type magnétique avec directivité dans le plan. 

 

L'accord avant amplification procure une excellente sélectivité. 

Le système permet de bénéficier d'une immunité intéressante contre les parasites.

 

Le modèle présenté ici est muni d'une boucle d'une circonférence de 2,40m pour une couverture de 1,8 MHz à 8,7 MHz (bandes amateur 80 & 40m et bande tropicale 60m). 

 

Article de Jean Pierre Guicheney in "A l'Ecoute du Monde"

 

La couverture en fréquence peut être modifiée par diminution/augmentation de la circonférence de la boucle et/ou de la capacité. Le système est néanmoins déconseillé au-delà de 15 MHz.

 

 

Le coaxial de type 11 mm est fixé sur un cadre en bois

 

Le coaxial est guidé autour du cadre par des tronçons de tuyaux pvc.

 Le trou sur le haut du guide permet de le visser dans le bois.

 

La tresse du coaxial est supprimée sur une longueur de 20 mm au sommet de la boucle. Le boîtier de commande qui renferme l'amplificateur est obligatoirement métallique pour en assurer le blindage. 

 

 

Le modèle présenté ici est équipé d'un CV air double cage de 2 x 250 pf dont les cages sont branchées en parallèle. Des capacités commutables permettent d'élargir la couverture en fréquence :

A : CV seul 8,7 à 3,5 MHz,

B : 560 pf ; de 3,5 à 2,5 MHz,

C : 1,2 nf ; de 2,5 à 2,0 MHz,

D : 1,8 nf ; de 2,0 à 1,8 MHz

Un CV de 2 x 300 pf permettra une couverture de 9,8 à 1,9 MHz.

 

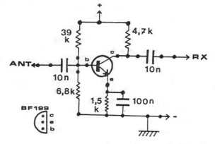
Amplificateur ; schéma

 

Modèle de circuit imprimé

 

 

Boîtier de commande ; le capot est utilisé comme face

 avant ... perçage compliqué ...

 

Vue intérieure 

 

 

Platine amplification

 

 

 

Platine capacités commutables ; circuit imprimé fixé par velcro près

 du commutateur sur le couvercle du boîtier

 

 

Fixation du CV sur support isolant (bois)

 

Sortie sur SO239, alim chassis cinch / RCA

 

Le pied doit permettre la rotation de l'ensemble. le pied en bois est enfoncé dans un tronçon de tuyau pvc. La jonction (esthétique) est assuré par un capuchon de spray découpé aux dimensions du bois. Le tout est enfilé librement dans une pièce métallique fixée au socle (vendue comme pied de meuble dans les GSB). Une bille du bon diamètre est préalablement déposée dans le fonds. La rotation est parfaite et sans effort, vous venez de réinventer le roulement à bille ! Une même peinture est appliquée sur l'ensemble des pièces.

 

Préselection par collecteur accordé garantissant sensibilité et sélectivité, prise en compte de la composante magnétique de l'onde permettant un fonctionnement à l'intérieur d'une habitation et dans un environnement perturbé et relative directivité permettant l'élimination de signaux gênants, le cadre blindé actif est un outil intéressant. Meilleure qu'un fil à l'intérieur mais bien moins bon qu'un fil bien dégagé à l'extérieur. Un compromis intéressant lorsqu'on ne peut installer d'antennes bien dégagées à l'extérieur. Un bémol toutefois, sa plage de fonctionnement est limitée aux bandes basses et il faudra trouver une autre solution pour la réception à partir de 10 Mhz. Compte tenu des modes de propagation des ondes sur les bandes décamétriques, la directivité du cadre demeure néanmoins aléatoire.

 

  F-10255 Stéphane Morice (c) 2006